站内搜索
搜索
首页
|
通知公告
|
共同缔造
|
工作动态
|
老旧小区
|
党建园地
|
政策信息
|
行业动态
|
协会动态
|
信用评价
|
物业一码看
首页
通知公告
工作动态
党建园地
政策法规
协会之窗
信用评价
物业一码看
登录
注册
当前位置:
首页
>
资料库
> 详情
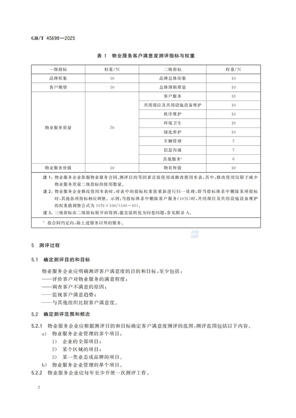
企业必看!《中华人民共和国国家标准 物业服务客户满意度测评》
发布时间:
2025-06-25